首页
产品中心
信号连接器
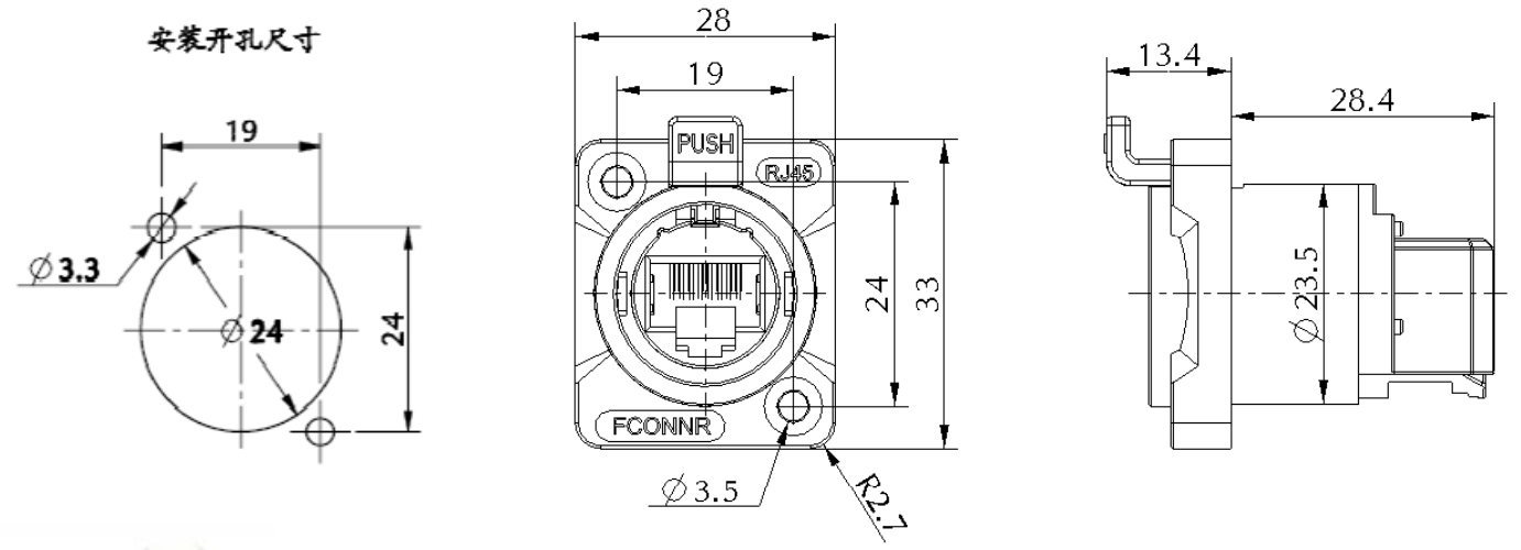
RJ45-03信号连接器(黑色)

外观产品图


